Injap Bebola Berongga Penuh- Terapungterdiri daripada dua komponen utama: badan injapdanbonet, disambungkan dengan bolt. Reka bentuk ini memudahkan penyelenggaraan dan penggantian bahagian yang lebih mudah. Thepenuh-lubangCiri memastikan diameter laluan aliran dalaman sepadan dengan diameter saluran paip, mengekalkan kecekapan aliran bendalir dan meminimumkan kehilangan tekanan.
Ciri-ciri Struktur
Reka Bentuk Bola Terapung:
Thebola terapung dalam dua-injap bergerak bebas di bawah tekanan sederhana, memastikan pengedap yang boleh dipercayai dalam sebarang kedudukan. Ini meningkatkan prestasi pengedap dan memanjangkan hayat perkhidmatan.
Tinggi-Tekanan & Rintangan Suhu-Tinggi:
Injap mempamerkan cemerlangtekanan dan rintangan suhu, menjadikannya sesuai untuk keadaan operasi yang teruk.
Rintangan Bendalir Rendah:
Thereka bentuk lubang-penuh mengurangkan rintangan aliran, meningkatkan kecekapan tenaga dan prestasi operasi.
Spesifikasi Pesanan
nama:Injap Bebola Bor Penuh.
Badan dan Bahan Kemasan:ASTM B763 C95500.
Bahan Meterai dan Tempat Duduk: RPTFE.
Standard: API STD 608, ASME B16.34.
Tekanan: PN20.
Saiz: DN50 DIA.
Rawatan Permukaan: No.
Sambungan: RF.
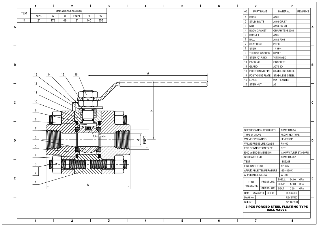
Lukisan Teknikal

